Drone-Based Radar VCO Design

Author: Colin Byrne

Institution: Carleton University

Course: Electrical Engineering Technical Report

Term: Fall 2025

This project investigates the numerical modeling and verification of a varactor-tuned voltage-controlled oscillator (VCO) for a 5.4 GHz phase-locked loop intended for a drone-based short-range radar system. The tuning behavior of the oscillator is evaluated through simulation in Keysight Advanced Design System (ADS) using a datasheet-derived HSPICE model of a varactor diode.

Radar System Overview

The goal of the broader project is the development of a short-range surveillance radar designed to support air traffic monitoring of delivery drones operating in low-altitude urban environments.

With the growing deployment of autonomous UAV delivery systems, there is increasing demand for compact sensing technologies capable of detecting and tracking small aerial vehicles in cluttered environments.

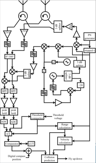
The radar system integrates antennas, RF front-end hardware, signal processing blocks, and a phase-locked loop responsible for generating a stable microwave reference frequency.

Radar system block diagram
High-level block diagram of the drone radar system.

Phase-Locked Loop Architecture

The radar transmitter requires a stable microwave signal around 5.4 GHz. To generate this signal, a phase-locked loop (PLL) architecture is implemented.

The PLL compares a reference oscillator with a feedback signal derived from the VCO output and adjusts the control voltage to maintain phase lock.

PLL block diagram
Block diagram of the phase-locked loop used in the radar system.

Within the project team, different members focus on different subsystems of the PLL including:

My contribution focuses on the VCO subsystem and its tuning mechanism using a varactor diode.

Varactor-Tuned Colpitts Oscillator

Oscillator Principle

The Colpitts oscillator is a common LC oscillator topology used in RF and microwave circuits due to its simplicity and stability. Its oscillation frequency is determined by the resonant tank circuit.

The oscillation frequency is approximately:

\( f_0 = \frac{1}{2\pi \sqrt{L C_{eq}}} \)

where the equivalent capacitance of the capacitive divider is

\( C_{eq} = \frac{C_1 C_2}{C_1 + C_2} \)

Varactor Tuning

Frequency tuning is achieved using a varactor diode whose capacitance varies with reverse bias voltage.

\( C(V_R) = C_0 (1 + \frac{V_R}{V_j})^{-m} \)

By adjusting the control voltage applied to the varactor, the effective tank capacitance changes, allowing electronic tuning of the oscillator frequency.

Typical capacitance-voltage relationship for a varactor diode.

ADS Modeling and Simulation

To evaluate the tuning behavior, a varactor model was implemented in Keysight Advanced Design System using an HSPICE subcircuit based on manufacturer datasheet parameters.

The model includes parasitic elements such as series resistance and inductance in order to approximate real device behavior at gigahertz frequencies.

HSPICE subcircuit used to model the varactor diode.

A parameter sweep was performed in ADS to vary the reverse-bias voltage applied to the varactor. This allowed extraction of the capacitance-voltage relationship and verification of the tuning mechanism prior to full oscillator integration.

ADS simulation setup used for varactor verification.

Simulation Results

The capacitance-voltage characteristic was extracted using small-signal AC analysis.

The capacitance was computed from the imaginary current component flowing through the voltage source:

\( C = \frac{|Im(I)|}{2 \pi f} \)

Extracted capacitance-voltage curve from ADS simulation.

The simulation results show a monotonic decrease in capacitance with increasing reverse-bias voltage, consistent with junction varactor theory.

Although the absolute values differ slightly from datasheet measurements, the trend matches theoretical expectations and validates the implemented model.

Hardware Implementation Plan

Following simulation verification, the next stage of the project is hardware implementation of the oscillator and PLL subsystem.

This process will transition the project from numerical simulation to experimental verification and full radar system integration.

Appendices

Example HSPICE Varactor Model



* Example Varactor Model

.SUBCKT VARACTOR 1 2

D1 1 2 DMODEL
Rs 1 3 2
Ls 3 2 0.5n

.MODEL DMODEL D
+ IS=1e-14
+ CJO=2.3p
+ VJ=0.7
+ M=0.5

.ENDS VARACTOR